基于RFID射频技术的机械手零件管理应用
随着机械行业的迅速发展,机械手零件的品种也开始多种多样,产量也随之提高。而面对繁杂多样的机械手零件品种和庞大的数量,传统的生产管理方式是利用人工进行对机械手零部件的 生产管理,工作效率的关键在于员工,那么对员工在工作过程中对机械手零件产品有关信息的读取和识别的快速性,准确性上都会产生一定影响,而最终的结果是影响工作效率甚至机械手零件的质量。面对机械手现有的管理状况,尝试着运用自动识别技术来改善机械手零件的管理状况。目前现有的自动识别技术主要有RFID技术、条形码、智能卡等。
1、机械手零件生产流水线上的管理
用RFID技术在机械手零件生产流水线上实现自动控制、监视产品,将极大地提高生产的快捷性和准确性,提高工作效率,改进生产方式,节约成本。 RFID标签在机械手零件生产流水线上可以方便准确地记录工序信息和工艺操作信息,满足柔性化生产的需求。对工人工号、时间、操作、质检结果的记录完全实 现生产的可追溯性,还可避免生产环境中手写、眼看信息造成的失误。
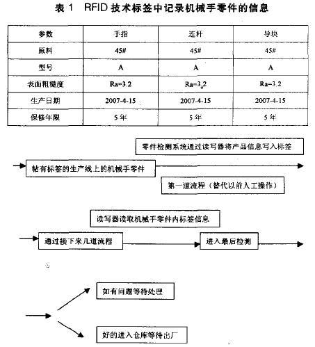
以海尔集团为例,在2003年,海尔集团就开始跟踪RFID技术,海尔希望发挥RFID技术自动识别读写、群读及远距离读取的作用,代替原来的 近距离人工条码读取方式,提高工作效率,并在更长远的未来,在一些可能的业务流程中,通过RFID标签捕获数据,从而显著提高供应链管理的水平。借鉴海尔 的经验,一旦芯片技术发展到成本显著降低、存储容量足够大的时候,在机械手零件产品中嵌入芯片标签——既记录制造过程中的数据,如机械手零件的原料、机械 手的型号、机械手零件表面粗糙度等,还可以记录顾客和产品保修的有关信息。这样在机械手零件的生产流水线上, 员工便能通过系统自动读取贴在机械手零件上标签中表1的数据,从而对机械手零件的产品信息了然于胸,如图1:
图1 RFID技术在机械手零件生产线控制上的流程图
同样的,在装配线上的也可以利用RFID技术来管理。例如要装配一套型号为A 的机械手,如图2,通过识别RFID标签上的型号信息来判断是否是要进行装配的零件 型号,如果是,就投入下一道工序等待装配,如果不是,就筛选掉。
图2 机械手装配流程图
2、机械手零件的仓库管理
目前,机械手零件的仓库管理主要是基于相应规范的手工作业及电脑半自动化管理实现的,其弊端是需要投入大量的人力进行规范物品的放置、定期整理 盘点以及出/入库登记等工作。这使机械手零件的仓库管理问题十分繁琐,浪费大量时间,而基于RFID技术的机械手零件的仓库管理系统设计是实现物品出/入 库控制、物品存放位置及数量统计、信息查询过程的自动化,方便管理人员进行统计、查询和掌握物资流动情况。以深圳白沙物流的仓储管理为例,在2004年底 前深圳白沙物流基地的仓库进出货物都是统一放在托盘上管理,进出记录均由仓库管理员手工记录,然后输入电脑,由于每天进出仓库的货物数量巨大,仓库管理员 的工作强度就非常大,难免在这当中就会出现差错,造成管理费用过高,管理效率差。
同样的问题相信在机械手零件产品上也存在,为此,设想利用RFID技术提出以下解决方案。首先,在进出机械手零件仓库的每个托盘上贴上一张 UHF的标签,在进出仓库的门上都装有读写器,每个仓库管理员有一台手持机,这手持机同时带红外采集功能。这样,每批机械手零件入仓前,仓库管理员用手持 机扫描每个托盘上机械手零件的条码,记录机械手零件,同时通过RFID写入机械手零件下 面托盘上的标签里,当这一托盘的机械手零件进入仓库时,门上的读写器就会把标签上的机械手零件信息直接读取出来,存入电脑中,后台的信息管理系统会自动生成记录,且准确地记载这批机械手零件放在仓库的哪个位置,就不再出现要出货时,需要仓管人员一排一排地去找了。如果有人将托盘推出仓库,后台系统会立刻显示出这些机械手零件己出仓,并自动生成出仓时间记录。这样就不会出现由于仓管人员的疏忽而忘了把信息输入电脑,在出了问题以后难查数据的麻烦了,而如果仓管人 员本身就不会电脑操作也不会为信息化管理产生问题。以此类推,如果在每件机械手零件上均贴上UHF标签,那每件机械手零件进出仓库均会立刻在后台系统上显 示,优化了整个管理程序,减少了管理过程中人为因素的错误发生率,也节省了管理人工成本。如图3例所示整个机械手零件供应链管理的流程被简化,也更加科学。
RFID技术方案就是在这样的过程中协助机械手零件仓储管理工作的完成的。RFID标签是机械手零件仓储管理中数据、信息的载体,RFID读写器是机械手零件仓储管理中数据、信息的采集方式,通过软件接 口直接链接到机械手零件仓储管理系统中,使得仓储管理的对象------ 机械手零件只要通过读写器,在机械手零件整个仓储管理信息系统中就可以显示出详情。在物流一体化的今天,就可以将众多员工从这简单但又繁琐的工作中解放出来。
图3 RFID技术在机械手零件仓储管理的应用流程
3、机械手零件在供应链中的管理
RFID技术在机械手零件供应链管理中的应用尚属起步阶段,但是各企业尤其是跨国企业对RFID技术的认识已上升到了一个新的阶段,大部份国际 知名企业都在测试当中,从采购、存储、包装、装卸/搬运、流通加、配送、销售到服务,都是供应链上环环相扣的业务环节和流程。它们之间是相辅相成而又相互 制约的。在运作时,企业必须实时、精确地了解和掌握整个环节上的商流、物流、信息流和资金流,这四者的流向和变化使这四种流程以及各环节、各流程都协调一 致、相互配合、才能发挥其最大效益。然而,由于实际物体的移动过程中各个环节都是处于运动和松散的状态,信息方向常常随着实际的活动情况在空间和时间上移 动和变化,结果影响了信息的可获取性和共享性。而RFID技术正是有效解决机械手零件供应链管理上各项业务运作数据的输入/输出、业务过程的控制与跟踪以 及减少出错率等难题的一种新技术。
RFID技术在机械手零件供应链诸多环节上发挥了重大作用,其主要的应用如下:
(1) 机械手零件零售环节
RFID技术可以改进机械手零件零售商的库存管理,实现适时补货,提高效率,减少出错,同时智能标签能够对某些具有时效性机械手零件的有效期进行监控,销售方还能利用RFID系统在付款台实现自动扫描和计费,取代人工付款方式。
(2) 机械手零件存储环节
在机械手件仓库里,RFID技术最广泛的应用在存取机械手零件与库存盘点,它能用来实现自动化存取机械手零件等操作。在整个机械手零件仓库管 理中,通过将机械手零件供应链计划系统制定的收货计划、取货计划、装运计划等与RFID技术相结合,能够有效地完成各种业务操作,如指定机械手零件堆放区 域、上架取补机械手零件等。这样增强了作业的准确性和快捷性,提高服务质量,降低成本,节省了劳动力和库存空间,同时减少了整个机械手零件物流中由于产品 误置、送错、偷窃、损害和库存、出货错误等造成的损耗。RFID技术的另一个优点就是在机械手零件库存盘点中降低人力。利用RFID技术让机械手零件的登 记自动化,盘点时不需要人工的检查或扫描条码,更快,更准确。
(3) 机械手零件运输环节
在机械手零件运输管理中,在途运输的机械手零件和车辆是通过在其上贴上RFID标签,例如将标签贴在集装箱和装备上,来完成设备跟踪控制的。 RFID接收转发装置通常安装在运输线的一些检查点上(如门柱上,桥墩旁等),以及仓库、车站、码头、机场等关键地点。接收装置收到RFID标签信息后, 连同接收地的位置上传至通信卫星,再由卫星传送给运输调度中心送入数据库中。
(4) 机械手零件配送/分销环节
在机械手零件配送环节,采用RFID技术能大大加快机械手零件配送的速度和提高拣选与分发过程的效率与准确率,并能减少人工,降低配送成本。到达中央配送中心的所有机械手零件都帖有RFID标签,在进入中央配送中心时,托盘通过一个门读写器读取托盘上所有货箱上的标签内容。系统将这些信息发货记 录进行核对,以检测出可能的错误,然后将RFID标签更新为最新的机械手零件产品存放地点和状态。这样就确保了精确的机械手零件库存控制,甚至可以确切了 解目前有多少机械手零件货箱处于运途中,转运的始发地和目的地,以及预期的到达时间等信息。
4 结束语
应用RFID技术能更快地更好地贡献于机械手图纸、零件的生产管理、仓库管理、供应链管理。
RFID技术是一种利用无线射频进行非接触双向通信的识别技术,由于其自身的优越性,RFID系统可以让供应链中通常“被动”的货品也能“告知”人们物流网络中有关货品的需求状况、来源、货品名称、到达El的地、到达时间等信息,并在通过每一个阅读器时,真实地提供上述信息。
标签:RFID手持终端 安卓手持终端APP 资产管理平台APP 资产智能管理系统 RFID电子标签 RFID嵌入式芯片 RFID低频模块 RFID智能资产管理系统 超高频读写器 固定式超高频读写器 高性能读写器 性价比高读写器 桌面式读写器 RFID桌面式读写器 桌面式发卡器 超高频桌面式读写器 高频桌面式读写器 低频桌面式读写器
如需了解更多,请拨打全国统一热线:020-29864643



